click me!

Important Specs for Infrared Thermal Imaging Camera Lenses

Introduction:

Thermal Imaging Camera Lenses are lenses that are specialized optical components engineered to capture and focus infrared (IR) radiation emitted from objects, enabling the creation of thermal images after the infrared radiations are transferred to the detectors of the thermal camera. Objects with temperatures above absolute zero (-273.15 degrees Celsius) emit IR radiation (heat) based on their temperature, a thermal camera lens collects the heat from objects and forms images according to the thermal distributions (i.e. temperature differences) of the objects, this means thermal imaging, as in comparison with visible light imaging, have less reliance on the light conditions and can reveal more than the naked human eye can see. These advantages make thermal imaging lenses prevail in fields like security checks, border surveillance, night vision, etc. (Click here to learn more about What Thermal Imaging Camera Lenses Are). 


Thermal imaging lenses are composed of multiple singlet IR lenses made of materials with high transmission rates to the IR spectrum, such as germanium (Ge), Chalcogenide Glass, and Zinc Selenide (ZnSe). Infrared lenses can also be divided according to the operating wavelength range, like mid-wave infrared/MWIR is defined as the 3-5 micro range and long-wave infrared is defined as the 8-12 micro range. 


With the rapid leaps in thermal imaging camera technologies, the demand for infrared lenses optimized for thermal imagers and thermal cameras is also soaring in various application fields like security, industrial monitoring, defense, etc. When it comes to purchasing the proper infrared (IR) thermal imaging camera lens for your specific usage, understanding the technical specifications is crucial to ensure that you acquire the lenses that suit your intentions. Ideally, you should choose the right infrared camera lenses with an adequate Field of View (FOV) that encompass your scope of interest, meanwhile ensuring the optimal resolution that offers you sufficient detail to recognize your targets. The specifications of Infrared lenses guide the decision of your thermal camera, influencing critical aspects like image quality, resolution, and field of view. In this tutorial, we will explore the most important specifications to consider when choosing an infrared lens for thermal imaging cameras, providing insight into critical terms and their implications.


We will cover concepts, definitions, and the impacts of the Specifications for  Infrared Thermal Imaging Camera Lenses, including:

  • Spectrum Range
  • Field of View (FOV)
  • Thermal Imaging Camera Lens Types
  • Detector/Sensor Types
  • Image Resolution of the Detector
  • f-number
  • Focal Length and Detection Range
  • Distortion
  • MTF (Modulation Transfer Function)
  • Flange
  • Working Distance Range
  • Camera Mount 
  • First Surface and Last Surface
  • Lens Housing and Sealing
  • Lens Shoulder
  • Image Plane


The bias of article lies in the context of infrared lenses used for thermal imaging cameras, if you are looking for guidance and introductions for average lenses in a more general application sense, you can view our Lens Selection Tutorial.

In this article we separate the specifications for infrared lenses into two groups, group one is Optical Specifications relevant to the optical and imaging functionalities of the IR thermal imaging lenses, and group two is Mechanical Specifications associated with the mechanical constructions and configurations of the infrared lenses. First, we will discuss the Optical Specifications:


Spectrum Range:

The Spectrum Range of the infrared camera lenses is the span of the electromagnetic wavelengths in which the IR lenses operate. Common ones are Mid Wave Infrared (3-5μm) lenses and Long Wave Infrared Lenses (8-12μm). MWIR Thermal Camera Lenses transmit and focus the 3-5μm IR radiations disseminated from the objects. LWIR Thermal Camera Lenses, in comparison, work in the 8-12μm wavelenth region.

In general, LWIR thermal imaging cameras, coupled with uncooled detectors, tend to be cheaper than MWIR thermal imaging cameras and work well for objects at room temperature, therefore LWIR imaging is the more routine and economical option. There are  “cooled” versions of LWIR cameras used in research or medical applications that offer greater thermal sensitivities. However, the LWIR cameras must be cooled to 77K or -321 degrees Fahrenheit, which requires specialized equipment and parts that have exorbitant prices. 

MWIR thermal imaging cameras, on the other hand, are the choice if you are seeking high-precision imaging at a long surveillance range. MWIR thermal imaging camera often incorporates cooled photon detectors (which are quite expensive), and tend to be more valuable than LWIR cameras. Besides long-range detection applications, MWIR thermal imaging lenses are often utilized in gas leakage detection and coastal surveillance where the humid air attenuates LWIR radiations. However, with the advantages of high image qualities, long-range detection capabilities, and penetration through atmospheric interference, some users are willing to afford a higher price. MWIR cameras are also an obvious choice in applications with size, weight, and power (SWaP) requirements, such as airborne operations.

Click here to learn more about MWIR VS LWIR Thermal Imaging.


Field of View (FOV):

The Field of View (FOV) defines the extent of the observable scene that the lens can capture, often specified in degrees. Lenses with a wide FOV capture a broader scene, making them ideal for surveillance and monitoring large areas. For example, a lens with a 45-degree FOV can capture a broader area compared to one with a 20-degree FOV.  In contrast, lenses with a narrow FOV offer higher magnification, suitable for long-range observation or detailed inspection. By selecting the right FOV, you can save time, and cost, and realize better visual coverage.

For thermal imaging cameras, considering the FOV of the infrared lenses is crucial to suit different application scenarios. There are several factors that will affect the final achievable FOV of thermal camera lenses. 

The first is the FOV of the infrared lenses. Lens suppliers provide specifications for the FOV parameters, some lenses are specified with wide angle FOV and some with narrow view FOV. For applications like weather monitoring that require expanded sights, infrared lenses with broader FOVs are preferred; while for some applications needing close-up investigation, a narrower FOV is more appropriate.

The second is the distance between the thermal camera and the target object. To obtain magnified images of objects at remote distances, users might choose a narrower FOV, while users might utilize a wider FOV for a shorter detection range or when spotting expansive areas. The angles at which the thermal camera lenses are positioned also change the field of view.

The third is the compatible detector/sensor resolution of the thermal imaging lenses. A detector with a greater target surface size allows the processing of more input thermal signals and hence wider FOVs.

The Angular Field of View (AFOV) can be calculated using the formula below:

AFOV = 2 x tan-1 (H/2f)

Where H = sensor size (horizontal or vertical dimension), f = focal length of the lens.

The conversion formulae between vertical FOV and horizontal FOV are: 

vertical FOV (angular) = 2tan^-1 (height of detector/2f) 

and since width of detector = height x aspect ratio, horizontal FOV (angular) = 2tan^-1 (height x aspect ratio/2f)



FOV equation

Figure 1. The relationship of angular FOV, focal length, and sensor size.


Learn more about What is FOV.


Special Thermal Imaging Camera Lens Types:

1. Continuous Zoom Infrared Lenses for Thermal Imaging Camera

Continuous Zoom Infrared Lenses are infrared lenses that allow for smooth, uninterrupted change of focal lengths without losing focus. The zoom thermal lenses are ideal for applications requiring variation of fields of view, from wide-angle surveillance at short focal lengths to distant targeting at long focal lengths, providing flexible and precise real-time imaging. 

2. Athermalized Infrared Lenses for Thermal Imaging Camera

Athermalized Infrared Lenses are lenses optimized to minimize the thermal defocus effect, which is the change in the focus position on the axis with temperature changes due to the variation of the refractive index with temperature (dn/dT) and thermal expansion. Athermalization design maintains the focus regardless of temperature changes, these lenses compensate for thermal expansion and contraction.

There are several approaches to realize athermalization, Hangzhou Shalom EO harnesses Passive Optical Athermalization for our Athermalized LWIR thermal Imaging Lenses. Passive optical athermalization works via balancing the thermal expansion properties of different lens materials. This method is simple without the need to complicate the lens set with additional corrective lens pieces. Materials with opposing thermal characteristics are chosen so that expansion or changes in refractive index in one material are counteracted by changes in another, ensuring the optical path length and focus remain stable.

Athermalized camera lenses are essential for environments with extreme or fluctuating temperatures, ensuring consistent focus without the need for manual adjustment.

3. Super Wide Angle and Fisheye Infrared Lenses for Thermal Imaging Camera

Super wide angle and fisheye thermal imaging lenses are thermal lenses with much shorter focal lengths and extended wide field of view than average infrared lenses. Fisheye lenses and super wide-angle lenses capture more thermal radiation, making them perfect for surveillance, perimeter protection, and situational awareness. (Click here to access a more Comprehensive Introduction to Fisheye Lenses). The two types of thermal camera lenses enable users to monitor large spaces with greater effectiveness, reducing the number of cameras needed.


Detector/Sensor Types

The detector or sensor in a thermal imaging camera is one of the primary components determining the lens requirements. Most detectors for thermal imaging are Focal Plane Array (FPA) Sensors/Detectors, which is a special type of bolometer and is used as a thermal detector in infrared cameras. The FPA is based on a series of small thin-film bolometers arranged in a matrix in the focal plane of the detector. There are two main types of FPA detectors used in thermal cameras:

Cooled Infrared Detectors: The Cooled Infrared Detectors require cooling to very low temperatures using cryogenic coolers to eliminate the thermal noise. Since thermal imagers generate images by visualizing the thermal contrast, the self-heating of the thermal camera increases thermal noise and leads to confusion about the target thermal signals. The result is the rise of NETD(Noise Equivalent Temperature Difference) and loss of sensitivities. Therefore cooled detectors are more sensitive than uncooled detectors. Cooled detectors are more expensive than uncooled ones, but in return provide superior sensitivities and resolution, detecting very slight temperature differences and doing a better job in capturing high-speed targets. MWIR lenses are often coupled with cooled detectors. Cooled detectors in general use materials like Mercury Cadmium Telluride (MCT) or Indium Antimonide (InSb).

Uncooled Infrared Detectors: The Uncooled Infrared Detectors operate at ambient temperatures, using materials such as Vanadium Oxide (VOx) or Amorphous Silicon (a-Si). While they are less sensitive than cooled detectors, they are more affordable, robust, and maintenance-free, making them suitable for most commercial thermal imaging applications.

Understanding the detector specifications like detector materials and cooling mechanisms is essential in matching the lens with the detector’s performance characteristics.


Image Resolution of the Detector

The Image Resolution of the detector compatible with the thermal camera lenses has a direct impact on the clarity and detail of the thermal image. Image resolution is a specification referring to the number of pixels in the sensor compatible with the infrared lenses, and higher image resolution means a greater amount of pixels are arranged in the detectors, allowing for more detailed images. Common resolutions for thermal camera sensors include:

160x120, 320x240, 640x480, and higher such as 1024x768 pixels. High-resolution thermal cameras, sometimes also called high-definition HD thermal cameras offer better differentiation between similar temperatures and enhanced image precision. As shown in Figure 2 below, as the resolution gets higher, the image becomes more clear and contains finer details.


image resolution thermal camera lens

Figure 2. Comparison of thermal images with different thermal resolutions.


The Spatial Resolution (measured in milliradians or mrad) is a function of both the detector resolution and the focal length of the lens, and it defines the minimum details that can be detected within one 1 pixel. 

Another important concept for understanding the specifications of thermal imaging camera lenses is Pixel Pitch. Pixel pitch refers to the distance between the centers of two adjacent pixels in a digital imaging sensor, measured in micrometers (µm). In thermal imaging cameras, pixel pitch is a critical factor because it influences the resolution and sensitivities of the image.


pixel pitch thermal detector

Figure 3. Pixel pitch, which is the length between the centers of two adjacent pixel elements.


A smaller pixel pitch results in more pixels fitting into a given area, increasing the image resolution and allowing the sensor to capture finer details. However, smaller pixels can also reduce the sensitivities of each pixel to incoming infrared radiation, hence negatively affecting the camera's ability to detect thermal differences, especially in low thermal contrast scenarios.

In contrast, a larger pixel pitch can offer higher sensitivities, as each pixel can gather more thermal energy, but it comes at the cost of reduced spatial resolution. The choice of pixel pitch in a thermal imaging camera is often a trade-off between resolution and sensitivity, depending on the intended application, such as long-range surveillance, industrial monitoring, or medical diagnostics.

When selecting an infrared thermal imaging camera lens, don’t miss out on checking the image resolution and pixel pitch of the matching detector/sensors. 

Hangzhou Shalom EO proposes our 305-016 25mm f/0.85 to 225mm f/1.3 Continuous Zoom Lenses for LWIR Thermal Camera, and 305-016 25mm f/0.85 to 225mm f/1.3 Continuous Zoom Lenses for LWIR Thermal Camera compatible with HD(1280x1024)-12μm infrared detector, which delivers outstanding image details supporting broader FOV, longer detection distance, and offer excellent spatial resolution with the 12μm pixel size.


f-number

The f-number, also known as the f-stop is the ratio of the focal length of the lens to the diameter of the entrance pupil. Thermal camera lenses with lower f-numbers mean larger apertures to allow more infrared radiation to reach the detector, improving thermal sensitivities and image brightness. A lower f-number also improves signal-to-noise ratio (SNR) by allowing more infrared radiation to reach the sensor, thus reducing noise and enhancing the camera’s thermal performance. A higher f-number means a smaller aperture, reducing the amount of radiation reaching the sensor, which produces a darker image under the same conditions. However, lower f-numbers could also result in a shallower depth of field.

f-number can be calculated using the formula:


f number=Focal Length of Camera Lens/Diameter of the Lens Aperture. 


The value of the f-number of infrared lenses is also related to the detector type of the thermal imaging lenses. A MWIR thermal imaging lens coupled with a cooled detector of higher thermal sensitivities allows higher f-numbers (and hence allows smaller lens apertures), whilst an LWIR thermal imaging lens coupled with an uncooled detector of lower sensitivities should have low f-numbers (hence larger apertures to ensure enough radiation to enter) if the camera is to match the same focal length with the former. Therefore, the MWIR Thermal Camera Lenses matched could be made much more compact than LWIR Thermal Camera Lenses.


Focal Length and Detection Range

The focal length of a thermal imaging lens affects both the magnification and the FOV. A longer focal length provides higher magnification but a narrower FOV. Shorter focal lengths give a wider FOV, suitable for capturing larger areas at close range.

Thermal camera lenses with longer focal lengths can detect smaller objects or temperature variations at greater distances. This capability is essential in fields like border control, law enforcement, or critical infrastructure monitoring, where identification of targets at a distance is required.

Infrared camera lenses with shorter focal lengths are more suitable for closer inspections, such as detecting heat leaks in buildings, industrial monitoring, or medical thermographs.

In terms of focal length, infrared lenses can also be classified into 3 types: fixed focal length IR lenses, also called prime lenses, which means the lenses have one single focal length, and users have to change the working distance if they want to adjust the sights; double FOV lenses IR lenses, which offer two switchable focal lengths and therefore two fields of view; continuous zoom IR lenses, which provide variable focal lengths within a set range.

Hangzhou Shalom EO introduces our 313-004 EFL 75-1100mm f4.0 Long Range Thermal Imaging MWIR Zoom Lenses and 313-010 EFL 90-1100mm f4.0 Long Range Thermal Imaging MWIR Zoom Lenses. With over 1000mm focal lengths, these two IR lens assemblies allow for a detection range of >35km, offering users with distant awareness of the targets of interest via smooth motorized zooming mechanisms and more lucid perspectives with our state-of-the-art optical solutions. Below are two images shot using Shalom EO's 313-004 90-1100mm f/5.5 Continuous Zoom MWIR Thermal Camera Lenses, clear sights and views with distinct thermal resolution are maintained at both shorter and longer detection ranges.


thermal lens image

Figure 4. The picture captured  using Shalom EO's 313-004 90mm to 1100mm f/5.5 Continuous Zoom MWIR Thermal Camera Lenses For Cooled Detectors at the detection range of 15km


thermal lens image

Figure 5. The picture captured using Shalom EO's 313-004 90mm to 1100mm f/5.5 Continuous Zoom MWIR Thermal Camera Lenses For Cooled Detectors at the detection range of 35km


75-1100mm f4.0 large aperture long range MWIR Thermal Imaging Lenses

Hangzhou Shalom EO's 313-010 EFL 90-1100mm f4.0 Long Range Thermal Imaging MWIR Zoom Lenses


Distortion

Distortion refers to optical aberrations that cause straight lines in the object space to appear curved in the image. Infrared lenses, particularly wide-angle lenses or fisheye lenses, might exhibit some level of barrel or pincushion distortion. Distortion, as a critical specification for infrared lenses, can affect image authenticity, measurements, and the overall effectiveness of thermal imaging lenses. Understanding and mitigating distortion is essential for accurate thermal imaging applications.


MTF (Modulation Transfer Function)

In thermal imaging camera lenses, The Modulation Transfer Function (MTF) measures how well a lens can reproduce fine details from the object to the image plane. It provides insight into the lens’s competence to deliver high-contrast images. Modulation refers to the contrast of the image, or how distinct the dark and light areas are. Transfer Function indicates how that contrast is maintained (or lost) as the detail in the image becomes finer (higher spatial frequencies). A higher MTF value across the spectrum of spatial frequencies indicates better image quality, with sharper details and higher contrast. Within MTF analysis, two specific orientations are often considered: sagittal and tangential. Sagittal MTF refers to the MTF measurements taken along lines that radiate from the center of the image circle toward its circumference.  In terms of orientation, these lines run parallel to a radial line extending from the center to the edge of the image. In converse, Tangential MTF measurements are taken along lines that are perpendicular to the sagittal lines. 

MTF curve thermal camera lens

Figure 6. Examples of The MTF Curves of Shalom EO's Infrared Thermal Imaging Lenses


Mechanical Specifications

Beyond optical performance, the mechanical design of the infrared thermal imaging lens also serves a vital role in the overall functionalities of the thermal imaging camera. Below are important mechanical specifications and glossaries to consider before choosing your thermal camera lenses:



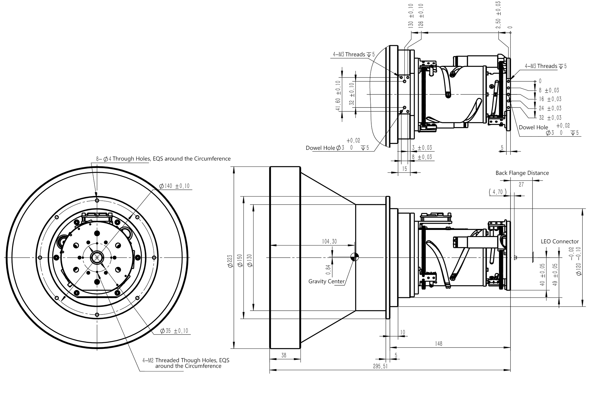
MWIR thermal imaging lens drawing

Figure 7. A drawing showing the optical and mechanical structures of an infrared lens assembly from Shalom EO


Flange:

A flange in optics refers to the flat, protruding surface on the back of a lens or optical component that allows the optic to be mounted onto a camera or imaging system. Ensuring the flange and camera are compatible is critical for seamless integration.

A notable glossary associated with flange is Flange Focal Distance (FFD), or Back Flange Distance, This is the distance between the mounting flange and the camera's sensor or film plane. To make sure that your camera permits focus without the use of corrective optical lenses, the FFD must be correct. 



flange focal distance

Figure 8. Flange Focal Distance (FFD) 


Working Distance Range

Working Distance Range refers to the distance between the front of a lens (or the lens group) and the object being imaged, over which the camera can maintain focus. The working distance range shows equal importance in both thermal imaging and visible imaging, as it defines the range of distances over which the lens can provide a sharp image, crucial for applications where objects are viewed at variable distances. 

The working distance comes in two values: 

1. The minimum working distance, or the minimum focusing distance is the closest distance between the lens front and the object at which the lens can still maintain focus on the object without blurring. 

2. The maximum working distance, which is the farthest point where the lens can maintain focus. Beyond this distance, the image will start to become unclear unless it’s a lens designed for infinity focus.


Camera Mount

The camera mount is the mechanical interface connecting the infrared lens to the thermal imaging camera. The camera mount is a critical component in the integration of thermal imaging cameras, ensuring minimized vibration and precision during operation. Designed to accommodate the unique requirements of thermal sensors, these mounts provide secure attachment and optimal alignment, which are essential for accurate thermal readings. Different cameras might require different mounts (e.g., C-mount, CS-mount, F-mount, M-mount, etc.), so it’s essential to ensure agreements between the lens mounts and the cameras.


First Surface and Last Surface

The first surface refers to the outermost optical surface of the lens, which first encounters infrared radiation. The first surface is exposed to external environments so needs to be durable, protective treatment (e.g. DLC coatings) might be necessary. The last surface is the final optical element before the infrared radiation reaches the detector.


Lens Housing and Sealing:

Lens housing is the mechanical component that contains and protects the inner optics while ensuring optimal optical excellence. Often made from lightweight yet durable materials like aluminum or high-strength polymers, the lens housing resists corrosion and withstands environmental stresses, such as extreme temperatures and damps. 

Lens sealing safeguards the internal optics from harsh environmental conditions, such as rain, fog, high humidity, and dust. Many thermal imaging cameras with sealed lenses are rated with IP (Ingress Protection) standards. A higher IP rating, such as IP65 or IP67, indicates excellent protection against solid particles (like dust) and water (resistance or waterproofing). This ensures reliable operation in challenging environments.

In Hangzhou Shalom EO, almost all of the lens sealings are IP67-rated waterproof, and dust-tight, guaranteeing minimized influences from external conditions on the thermal camera lenses.


Lens Shoulder

The lens shoulder is the mechanical part of the lens that provides structural support and alignment within the camera housing.


Overall Length and Maximum Dimension

The overall length and maximum dimension of the lens define its physical size, which affects the camera’s form factor and ease of integration into various setups.


Image Plane

The image plane is where the lens focuses the infrared radiation onto the detector, and proper alignment of the image plane is crucial for sharp and accurate imaging.


Weight

Weight is defined as the total mass of the entire infrared lens module, not only the mass of the lens elements, but also include the mass of lens housing, and the integrated motorized zooming mechanism as in the case of a zoom IR lens.

For weight-sensitive scenarios, like when the thermal imaging camera lens module is to be integrated into or loaded on unmanned aerial vehicles (UAV), an IR lens module with a lightweight design is very advantageous as a drone has a limited capacity of weight loaded and furthermore, a massive carriage will encumber its flight.

Shalom EO is proud to announce the releasement of our 313-004 EFL 90mm to 1100mm f/5.5 Continuous Zoom MWIR Thermal Camera Lenses For Cooled Detectors, with a stunning detection range of >35km and a lightweight of 4.2kg, much lighter than counterparts from other suppliers that offer similar distance coverage. These lightweight IR lenses deliver a great balance between long focal length and the weight factor and are excellent for incorporation into UAVs with their lightweight characteristics.


Who is Shalom EO?

Selecting the right infrared thermal imaging lens requires a thorough understanding of both optical and mechanical specifications. By carefully evaluating the compatible detector type, image resolution, field of view, f-number of the infrared lenses and structural specifications like the flange or working distance, you can ensure the lens you choose will meet the requirements of your application. This infrared lens guide aims to offer a clear and simple explanation of these specifications, helping you make informed decisions when you are selecting your infrared lenses for thermal imaging.


Hangzhou Shalom EO has specialized expertise in engineering and manufacturing infrared thermal imaging lenses. With a steadfast commitment to innovation and technical excellence, we are all the time prepared to help our customer enhance their thermal imagers for various application contexts. Contact our sales team and engineers and unveil the full potential of infrared imaging technologies.

Related Articles

Related Products

Tags: Important Specs for Infrared Thermal Imaging Camera Lenses